
Miniature Bearings Australia
GHK0800-1200-050 - Datasheet
ExaktKey
Category Information
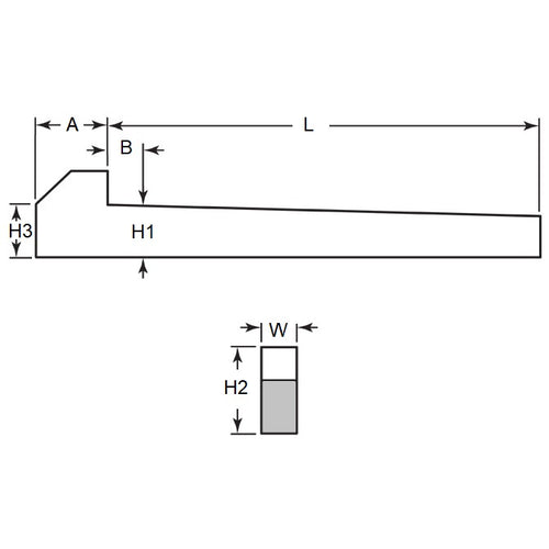
Keys - Gib Head - SteelSteel Gib Head Keys. Tapered 3.000 mm per 300 mm (1:100)
- An expanded range may be available on special order. Please enquire.
Product Data
- Nominal Key Height (H1)
:
8.000
mm
(Equiv. 0.315 in.) - Width (W)
12.000
mm
(Equiv. 0.472 in.) - Length (L)
50.0
mm
(Equiv. 1.969 in.) - Head Height (h2) Approx. 12.0 mm
- Taper 1:100
- Standard DIN6887
- Head Length (Approx) (A) 12.000 mm
- Material Cold Finished Steel
Product Compliance and Data
Additional Resources
Cross References
- GHK1250
- GHK12-50


