
Miniature Bearings Australia
GHK1400-2200-120 - Datasheet
ExaktKey
Category Information
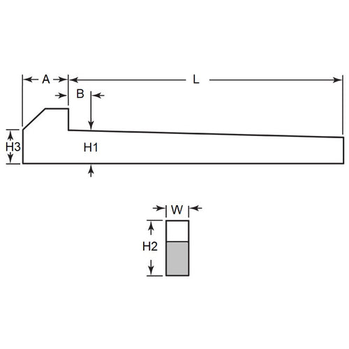
Keys - Gib Head - SteelSteel Gib Head Keys. Tapered 3.000 mm per 300 mm (1:100)
- An expanded range may be available on special order. Please enquire.
Product Data
- Nominal Key Height (H1)
:
14.000
mm
(Equiv. 0.551 in.) - Width (W)
22.000
mm
(Equiv. 0.866 in.) - Length (L)
120.0
mm
(Equiv. 4.724 in.) - Head Height (h2) Approx. 22.0 mm
- Taper 1:100
- Standard DIN6887
- Head Length (Approx) (A) 18.000 mm
- Material Cold Finished Steel
Product Compliance and Data
Additional Resources
View full details


