
Miniature Bearings Australia
CLJ-06.00-M6R - Datasheet
Iglidur
Category Information
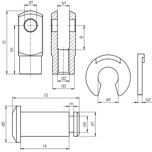
Joints - Clevis - PlasticPlastic Clevis Joints. Use with plastic rod ends - Includes pin and clip. See also yokes.
- Comes with clevis pin and retaining clip.
- Corrosion Resistant, Lightweight.
- High Tensile Strength (Shown in table as Short Term / Long Term).
- Vibration Dampening / Noise Dampening.
- (1) Tensile Strengths shown are Maximum Static axial in Newtons.
Product Data
- Hole Diameter (d1)
:
6.0
mm
+0.0 / +0.1
(Equiv. 0.236 in.) - Depth from Centre (g)
12.0
mm
(Equiv. 0.472 in.) - Top Width (a1 x a2)
12.0 x 12.0
mm
(Equiv. 0.472 in.) - Opening (b1) 6.0 mm
- Thread M6 x 1.00
- Base Diameter (d3) 10.0 mm
- Lengths (l1 / l2 / l3) 30.6 / 24.0 / 9.0 mm +0.5 / -0.5
- Thread Direction Right Hand
- Intermit. Tensile Strength (1) 1400 N
- Contin. Tensile Strength (1) 700 N
Product Compliance and Data
Additional Resources
Cross References
- Igus GERM-06
- Igus GERMK-06
- GERM06
- GERMK06


