
Miniature Bearings Australia
CLJ-14.00-M14L - Datasheet
Iglidur
Category Information
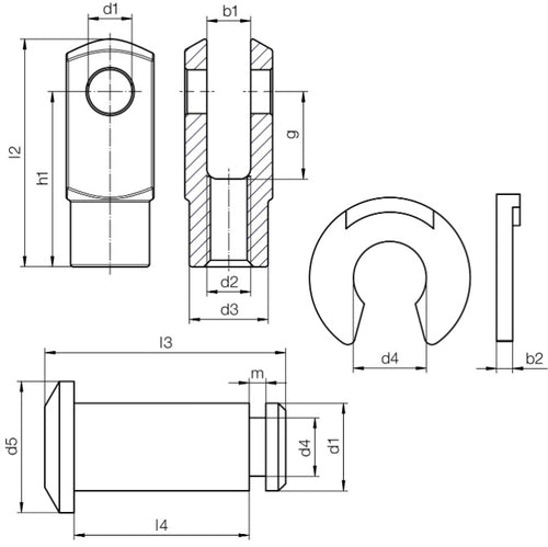
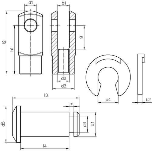
Joints - Clevis - PlasticPlastic Clevis Joints. Use with plastic rod ends - Includes pin and clip. See also yokes.
- Comes with clevis pin and retaining clip.
- Corrosion Resistant, Lightweight.
- High Tensile Strength (Shown in table as Short Term / Long Term).
- Vibration Dampening / Noise Dampening.
- (1) Tensile Strengths shown are Maximum Static axial in Newtons.
Product Data
- Hole Diameter (d1)
:
14.0
mm
+0.0 / +0.1
(Equiv. 0.551 in.) - Depth from Centre (g)
28.0
mm
(Equiv. 1.102 in.) - Top Width (a1 x a2)
27.0 x 27.0
mm
(Equiv. 1.063 in.) - Opening (b1) 14.0 mm
- Thread M14 x 2.00
- Base Diameter (d3) 24.0 mm
- Lengths (l1 / l2 / l3) 71.30 / 56.0 / 22.5 mm +0.5 / -0.5
- Thread Direction Left Hand
- Intermit. Tensile Strength (1) 6600 N
- Contin. Tensile Strength (1) 3300 N
Product Compliance and Data
Additional Resources
Cross References
- Igus GELM-14
- Igus GELMK-14
- GELMK14
- GELM14


