
Miniature Bearings Australia
COL-01500-034-13-HG-S3 - Datasheet
ENQUIRE
Category Information
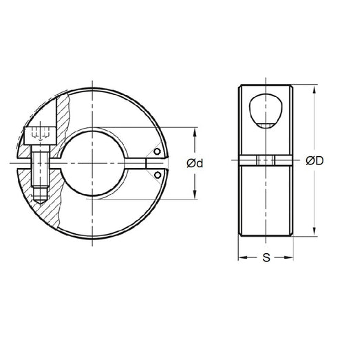
Collars - Shaft - Hinged - Stainless SteelStainless Steel Hinged Shaft Collars. Precision machined. Convenient easy-to-assemble design. 303 Stainless Steel
- Simple, ring-shaped component, typically made of metal or plastic, that fastens around a round shaft to hold other parts in place or to act as a mechanical stop.
- Essential in power transmission applications for securing items like bearings, sprockets, and gear assemblies.
- Same axial load handling capabilities as standard two piece collars.
- Captive clamp screw eliminates lost screws.
- The collars have a smooth I.D., O.D. & sides with no protruding pins or screws.
- Easily Machinable / Open Completely.
- Non-marring / Use on hardened shafts / Use on tubing / Use on split hubs.
Product Data
- Suitable Shaft Size (d)
:
15.000
mm
(Equiv. 0.591 in.) - Outside Diameter (D)
34.00
mm
(Equiv. 1.339 in.) - Overall Width (S)
13.0
mm
(Equiv. 0.512 in.) - Material Stainless Steel
Product Compliance and Data
Additional Resources
Cross References
- 2SM015H


