
Miniature Bearings Australia
COH-00635-021-06-2P-CS - Datasheet
MBA
Category Information
Collars - Hex Bore - Two Piece - SteelSteel Two Piece Hex Bore Collars. This is the main category in this series
- Simple, ring-shaped component, typically made of metal or plastic, that fastens around a hex shaped shaft to hold other parts in place or to act as a mechanical stop.
- Essential in power transmission applications for securing items like bearings, sprockets, and gear assemblies.
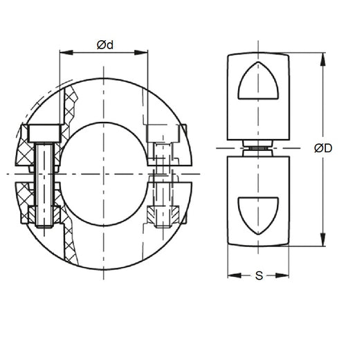
Product Data
- Suitable Shaft Size (d)
:
6.350
mm
(Equiv. 0.25 in.) - Outside Diameter (D)
20.70
mm
(Equiv. 0.815 in.) - Overall Width (S)
6.4
mm
(Equiv. 0.252 in.) - Screw Size 4-40 UNC
- Material Steel - Mild
Product Compliance and Data
Additional Resources
Cross References
- CTC-550
- CTC550


