
Miniature Bearings Australia
BF0750-0800-0500-PX - Datasheet
Iglidur
Category Information
Bushes - Flanged - Plastic - Iglidur XIglidur X Plastic Flanged Bushes. Very high temperature. Extreme chemical resistance. High compressive strength. Low water absorption.
- An expanded range may be available on special order. Please enquire.
- Specific Gravity 1.44 g/cm3.
- Operating Temp 315 C short term / 250 C long term.
- Tensile Strength at 20 Deg C = 170 Mpa.
- Hardness 85 Shore D (DIN53505).
- Bushing bore tolerance shown is after a H7 press fit.
Product Data
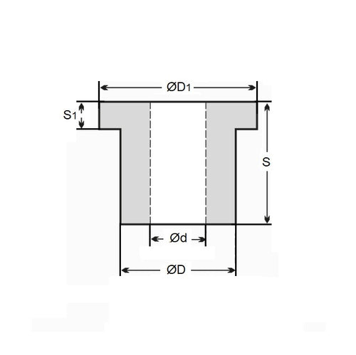
- Nominal Inside Diameter (d)
:
75.000
mm
+ 0.030 / + 0.150
(Equiv. 2.953 in.) - Nominal Outside Diameter (D)
80.000
mm
(Equiv. 3.15 in.) - Length (s)
50.000
mm
+ 0.000 / - 0.390
(Equiv. 1.969 in.) - Flange OD (D1) 88.00 mm
- Flange Thickness (s1) 2.00 mm
- Material Iglidur X
Product Compliance and Data
Additional Resources
- DU Bush Material Information
- General Bushes Catalogue
- Sintered Bronze Products Catalogue
- Solid Bronze Bushes catalogue
Cross References
- Igus XFM-7580-50
- XFM758050


