
Miniature Bearings Australia
BF0699-0746-0508-PX - Datasheet
Iglidur
Category Information
Bushes - Flanged - Plastic - Iglidur XIglidur X Plastic Flanged Bushes. Very high temperature. Extreme chemical resistance. High compressive strength. Low water absorption.
- An expanded range may be available on special order. Please enquire.
- Specific Gravity 1.44 g/cm3.
- Operating Temp 315 C short term / 250 C long term.
- Tensile Strength at 20 Deg C = 170 Mpa.
- Hardness 85 Shore D (DIN53505).
- Bushing bore tolerance shown is after a H7 press fit.
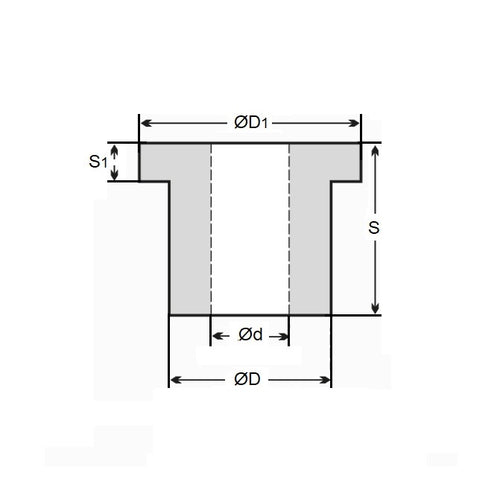
Product Data
- Nominal Inside Diameter (d) 
:
69.850
mm
+ 0.030 / + 0.150
 (Equiv. 2.75 in.)
- Nominal Outside Diameter (D) 
74.613
mm
 (Equiv. 2.938 in.)
- Length (s) 
50.800
mm
+ 0.000 / - 0.460
 (Equiv. 2 in.)
- Flange OD (D1) 85.73 mm
- Flange Thickness (s1) 2.36 mm
- Material Iglidur X
Product Compliance and Data
Additional Resources
- DU Bush Material Information
- General Bushes Catalogue
- Sintered Bronze Products Catalogue
- Solid Bronze Bushes catalogue
Cross References
- Igus TFI-4447-32
- TFI444732
 
 


