
Miniature Bearings Australia
BF0508-0556-0508-PX - Datasheet
Iglidur
Category Information
Bushes - Flanged - Plastic - Iglidur XIglidur X Plastic Flanged Bushes. Very high temperature. Extreme chemical resistance. High compressive strength. Low water absorption.
- An expanded range may be available on special order. Please enquire.
- Specific Gravity 1.44 g/cm3.
- Operating Temp 315 C short term / 250 C long term.
- Tensile Strength at 20 Deg C = 170 Mpa.
- Hardness 85 Shore D (DIN53505).
- Bushing bore tolerance shown is after a H7 press fit.
Product Data
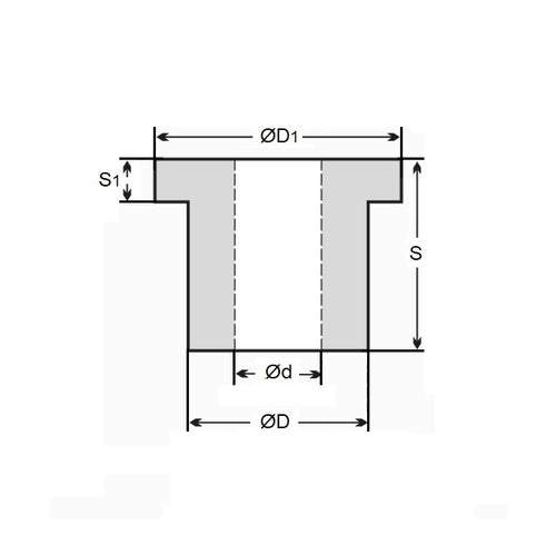
- Nominal Inside Diameter (d) 
:
50.800
mm
+ 0.030 / + 0.150
 (Equiv. 2 in.)
- Nominal Outside Diameter (D) 
55.563
mm
 (Equiv. 2.188 in.)
- Length (s) 
50.800
mm
+ 0.000 / - 0.460
 (Equiv. 2 in.)
- Flange OD (D1) 66.68 mm
- Flange Thickness (s1) 2.36 mm
- Material Iglidur X
Product Compliance and Data
Additional Resources
- DU Bush Material Information
- General Bushes Catalogue
- Sintered Bronze Products Catalogue
- Solid Bronze Bushes catalogue
Cross References
- Igus TFI-3235-32
- TFI323532
 
 


