
Miniature Bearings Australia
BF0318-0357-0318-PX - Datasheet
Iglidur
Category Information
Bushes - Flanged - Plastic - Iglidur XIglidur X Plastic Flanged Bushes. Very high temperature. Extreme chemical resistance. High compressive strength. Low water absorption.
- An expanded range may be available on special order. Please enquire.
- Specific Gravity 1.44 g/cm3.
- Operating Temp 315 C short term / 250 C long term.
- Tensile Strength at 20 Deg C = 170 Mpa.
- Hardness 85 Shore D (DIN53505).
- Bushing bore tolerance shown is after a H7 press fit.
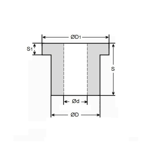
Product Data
- Nominal Inside Diameter (d)
:
31.750
mm
+ 0.025 / + 0.125
(Equiv. 1.25 in.) - Nominal Outside Diameter (D)
35.719
mm
(Equiv. 1.406 in.) - Length (s)
31.750
mm
+ 0.000 / - 0.390
(Equiv. 1.25 in.) - Flange OD (D1) 42.85 mm
- Flange Thickness (s1) 1.98 mm
- Material Iglidur X
Product Compliance and Data
Additional Resources
- DU Bush Material Information
- General Bushes Catalogue
- Sintered Bronze Products Catalogue
- Solid Bronze Bushes catalogue
Cross References
- Igus TFI-2022-20
- TFI202220


