
Miniature Bearings Australia
BF0254-0286-0381-PX - Datasheet
Iglidur
Category Information
Bushes - Flanged - Plastic - Iglidur XIglidur X Plastic Flanged Bushes. Very high temperature. Extreme chemical resistance. High compressive strength. Low water absorption.
- An expanded range may be available on special order. Please enquire.
 - Specific Gravity 1.44 g/cm3.
 - Operating Temp 315 C short term / 250 C long term.
 - Tensile Strength at 20 Deg C = 170 Mpa.
 - Hardness 85 Shore D (DIN53505).
 - Bushing bore tolerance shown is after a H7 press fit.
 
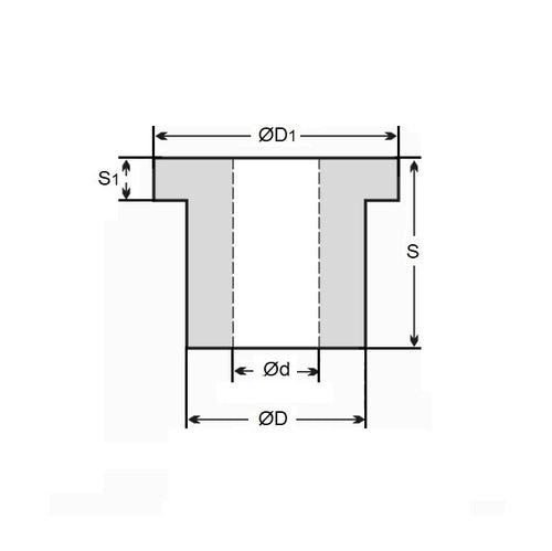
Product Data
- Nominal Inside Diameter (d) 
:
25.400
mm
+ 0.020 / + 0.104
(Equiv. 1 in.) - Nominal Outside Diameter (D) 
28.575
mm
(Equiv. 1.125 in.) - Length (s) 
38.100
mm
+ 0.000 / - 0.390
(Equiv. 1.5 in.) - Flange OD (D1) 34.93 mm
 - Flange Thickness (s1) 1.58 mm
 - Material Iglidur X
 
Product Compliance and Data
Additional Resources
- DU Bush Material Information
 - General Bushes Catalogue
 - Sintered Bronze Products Catalogue
 - Solid Bronze Bushes catalogue
 
Cross References
- Igus TFI-1618-24
 - TFI161824
 


