
Miniature Bearings Australia
BF0570-0620-0400-PW - Datasheet
Iglidur
Category Information
Bushes - Flanged - Plastic - Iglidur W300Iglidur W300 Plastic Flanged Bushes. Low co-efficient of friction. High wear resistance. Chemical resistant.
- An expanded range may be available on special order. Please enquire.
- Specific Gravity 1.24 g/cm3.
- Operating Temp 180 C short term / 90 C long term.
- Tensile Strength at 20 Deg C = 125 Mpa.
- Hardness 77 Shore D (DIN53505).
- Bushing bore tolerance shown is after a H7 press fit.
Product Data
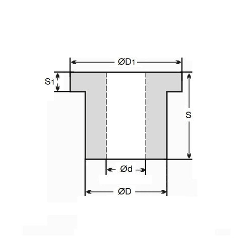
- Nominal Inside Diameter (d) 
:
57.000
mm
+ 0.060 / + 0.180
 (Equiv. 2.244 in.)
- Nominal Outside Diameter (D) 
62.000
mm
 (Equiv. 2.441 in.)
- Length (s) 
40.000
mm
+ 0.000 / - 0.390
 (Equiv. 1.575 in.)
- Flange OD (D1) 67.00 mm
- Flange Thickness (s1) 2.00 mm
- Material Iglidur W300
Product Compliance and Data
Additional Resources
- DU Bush Material Information
- General Bushes Catalogue
- Sintered Bronze Products Catalogue
- Solid Bronze Bushes catalogue
Cross References
- Igus WFM-5762-40
- WFM576240
 
 


