
Miniature Bearings Australia
BF0572-0618-0508-PQ - Datasheet
Iglidur
Category Information
Bushes - Flanged - Plastic - Iglidur QIglidur Q Plastic Flanged Bushes. Excellent wear resistance under high load. Resistant to dirt.
- An expanded range may be available on special order. Please enquire.
- Specific Gravity 1.40 g/cm3.
- Operating Temp 155 C short term / 135 C long term.
- Tensile Strength at 20 Deg C = 120 Mpa.
- Hardness 83 Shore D (DIN53505).
- Bushing bore tolerance shown is after a H7 press fit.
Product Data
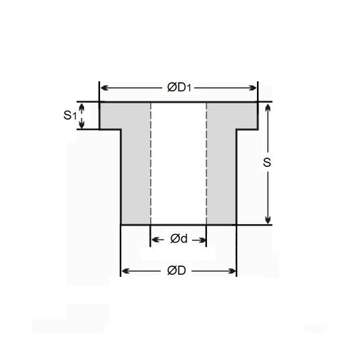
- Nominal Inside Diameter (d) 
:
57.150
mm
+ 0.060 / + 0.180
 (Equiv. 2.25 in.)
- Nominal Outside Diameter (D) 
61.792
mm
 (Equiv. 2.433 in.)
- Length (s) 
50.800
mm
+ 0.000 / - 0.460
 (Equiv. 2 in.)
- Flange OD (D1) 69.85 mm
- Flange Thickness (s1) 1.98 mm
- Material Iglidur Q
Product Compliance and Data
Additional Resources
- DU Bush Material Information
- General Bushes Catalogue
- Sintered Bronze Products Catalogue
- Solid Bronze Bushes catalogue
Cross References
- Igus QFI-3639-32
- QFI363932
 
 


