
Miniature Bearings Australia
BF0300-0340-0370-PQ - Datasheet
Iglidur
Category Information
Bushes - Flanged - Plastic - Iglidur QIglidur Q Plastic Flanged Bushes. Excellent wear resistance under high load. Resistant to dirt.
- An expanded range may be available on special order. Please enquire.
- Specific Gravity 1.40 g/cm3.
- Operating Temp 155 C short term / 135 C long term.
- Tensile Strength at 20 Deg C = 120 Mpa.
- Hardness 83 Shore D (DIN53505).
- Bushing bore tolerance shown is after a H7 press fit.
Product Data
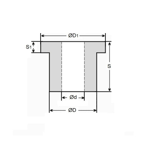
- Nominal Inside Diameter (d)
:
30.000
mm
+ 0.040 / + 0.124
(Equiv. 1.181 in.) - Nominal Outside Diameter (D)
34.000
mm
(Equiv. 1.339 in.) - Length (s)
37.000
mm
+ 0.000 / - 0.390
(Equiv. 1.457 in.) - Flange OD (D1) 42.00 mm
- Flange Thickness (s1) 2.00 mm
- Material Iglidur Q
Product Compliance and Data
Additional Resources
- DU Bush Material Information
- General Bushes Catalogue
- Sintered Bronze Products Catalogue
- Solid Bronze Bushes catalogue
Cross References
- Igus QFM-3034-37
- QFM303437


