
Miniature Bearings Australia
BF0254-0286-0254-PQ - Datasheet
Iglidur
Category Information
Bushes - Flanged - Plastic - Iglidur QIglidur Q Plastic Flanged Bushes. Excellent wear resistance under high load. Resistant to dirt.
- An expanded range may be available on special order. Please enquire.
 - Specific Gravity 1.40 g/cm3.
 - Operating Temp 155 C short term / 135 C long term.
 - Tensile Strength at 20 Deg C = 120 Mpa.
 - Hardness 83 Shore D (DIN53505).
 - Bushing bore tolerance shown is after a H7 press fit.
 
Product Data
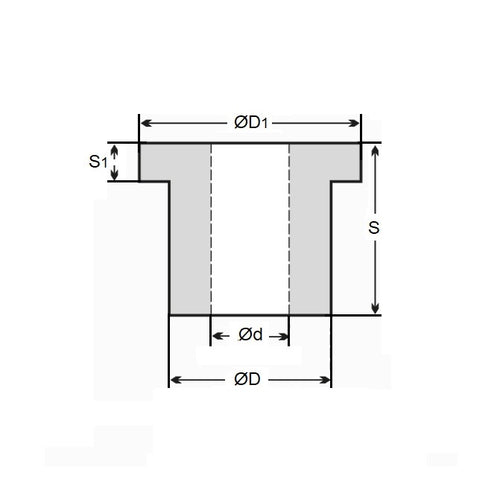
- Nominal Inside Diameter (d) 
:
25.400
mm
+ 0.040 / + 0.124
(Equiv. 1 in.) - Nominal Outside Diameter (D) 
28.575
mm
(Equiv. 1.125 in.) - Length (s) 
25.400
mm
+ 0.000 / - 0.330
(Equiv. 1 in.) - Flange OD (D1) 34.93 mm
 - Flange Thickness (s1) 1.58 mm
 - Material Iglidur Q
 
Product Compliance and Data
Additional Resources
- DU Bush Material Information
 - General Bushes Catalogue
 - Sintered Bronze Products Catalogue
 - Solid Bronze Bushes catalogue
 
Cross References
- Igus QFI-1618-16
 - QFI161816
 


