
Miniature Bearings Australia
BF0508-0572-0381-PM - Datasheet
Iglidur
Category Information
Bushes - Flanged - Plastic - Iglidur M250Iglidur M250 Plastic Flanged Bushes. For impact resistance vibration dampening unclean environments.
- An expanded range may be available on special order. Please enquire.
- Specific Gravity 1.14 g/cm3.
- Operating Temp 170 C short term / 80 C long term.
- Tensile Strength at 20 Deg C = 112 Mpa.
- Hardness 79 Shore D (DIN53505).
- Bushing bore tolerance shown is after a H7 press fit.
Product Data
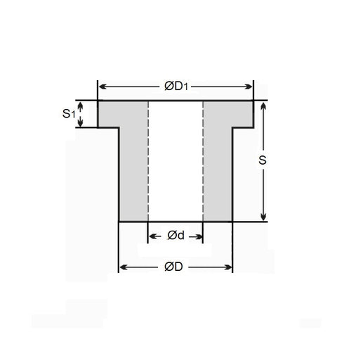
- Nominal Inside Diameter (d) 
:
50.800
mm
+ 0.080 / + 0.240
 (Equiv. 2 in.)
- Nominal Outside Diameter (D) 
57.150
mm
 (Equiv. 2.25 in.)
- Length (s) 
38.100
mm
+ 0.000 / - 0.390
 (Equiv. 1.5 in.)
- Flange OD (D1) 63.50 mm
- Flange Thickness (s1) 3.18 mm
- Material Iglidur M250
Product Compliance and Data
Additional Resources
- DU Bush Material Information
- General Bushes Catalogue
- Sintered Bronze Products Catalogue
- Solid Bronze Bushes catalogue
Cross References
- Igus MFI-3236-24
- MFI323624
 
 


