
Miniature Bearings Australia
BF0222-0254-0381-PM - Datasheet
Iglidur
Category Information
Bushes - Flanged - Plastic - Iglidur M250Iglidur M250 Plastic Flanged Bushes. For impact resistance vibration dampening unclean environments.
- An expanded range may be available on special order. Please enquire.
 - Specific Gravity 1.14 g/cm3.
 - Operating Temp 170 C short term / 80 C long term.
 - Tensile Strength at 20 Deg C = 112 Mpa.
 - Hardness 79 Shore D (DIN53505).
 - Bushing bore tolerance shown is after a H7 press fit.
 
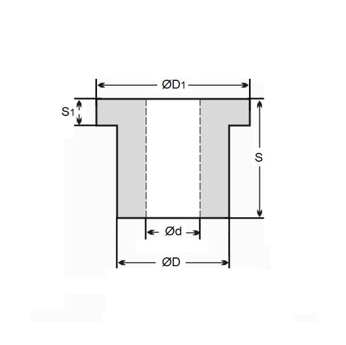
Product Data
- Nominal Inside Diameter (d) 
:
22.225
mm
+ 0.065 / + 0.195
(Equiv. 0.875 in.) - Nominal Outside Diameter (D) 
25.400
mm
(Equiv. 1 in.) - Length (s) 
38.100
mm
+ 0.000 / - 0.390
(Equiv. 1.5 in.) - Flange OD (D1) 31.75 mm
 - Flange Thickness (s1) 1.58 mm
 - Material Iglidur M250
 
Product Compliance and Data
Additional Resources
- DU Bush Material Information
 - General Bushes Catalogue
 - Sintered Bronze Products Catalogue
 - Solid Bronze Bushes catalogue
 
Cross References
- Igus MFI-1416-24
 - MFI141624
 


