
Miniature Bearings Australia
BP0080-0120-0100-PJ - Datasheet
Iglidur
Category Information
Bushes - Unflanged - Plastic - Iglidur JIglidur J Plastic Unflanged Bushes. Low Wear - Dry Running - Vibration Dampening - Chemical Resistance.
- An expanded range may be available on special order. Please enquire.
- Specific Gravity 1.49 g/cm3.
- Operating Temp 120 C short term / 90 C long term.
- Tensile Strength at 20 Deg C = 73 Mpa.
- Hardness 74 Shore D (DIN53505).
- Bushing bore tolerance shown is after a H7 press fit.
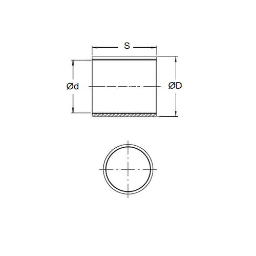
Product Data
- Nominal Inside Diameter (d) 
:
8.000
mm
+ 0.025 / + 0.083
 (Equiv. 0.315 in.)
- Nominal Outside Diameter (D) 
12.000
mm
 (Equiv. 0.472 in.)
- Length (s) 
10.000
mm
+ 0.000 / - 0.220
 (Equiv. 0.394 in.)
- Material Iglidur J
Product Compliance and Data
Additional Resources
- DU Bush Material Information
- General Bushes Catalogue
- Sintered Bronze Products Catalogue
- Solid Bronze Bushes catalogue
Cross References
- Igus JSM-0812-10
- JSM081210
 
 


