
Miniature Bearings Australia
BF0080-0100-0060-PJ - Datasheet
Iglidur
Category Information
Bushes - Flanged - Plastic - Iglidur JIglidur J Plastic Flanged Bushes. Low Wear - Dry Running - Vibration Dampening - Chemical Resistance.
- An expanded range may be available on special order. Please enquire.
 - Specific Gravity 1.49 g/cm3.
 - Operating Temp 120 C short term / 90 C long term.
 - Tensile Strength at 20 Deg C = 73 Mpa.
 - Hardness 74 Shore D (DIN53505).
 - Bushing bore tolerance shown is after a H7 press fit.
 
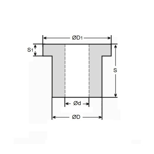
Product Data
- Nominal Inside Diameter (d) 
:
8.000
mm
+ 0.025 / + 0.083
(Equiv. 0.315 in.) - Nominal Outside Diameter (D) 
10.000
mm
(Equiv. 0.394 in.) - Length (s) 
6.000
mm
+ 0.000 / - 0.180
(Equiv. 0.236 in.) - Flange OD (D1) 15.00 mm
 - Flange Thickness (s1) 1.00 mm
 - Material Iglidur J
 
Product Compliance and Data
Additional Resources
- DU Bush Material Information
 - General Bushes Catalogue
 - Sintered Bronze Products Catalogue
 - Solid Bronze Bushes catalogue
 
Cross References
- Igus JFM-0810-06
 - JFM081006
 


