
Miniature Bearings Australia
BF0700-0750-0500-PJ - Datasheet
Iglidur
Category Information
Bushes - Flanged - Plastic - Iglidur JIglidur J Plastic Flanged Bushes. Low Wear - Dry Running - Vibration Dampening - Chemical Resistance.
- An expanded range may be available on special order. Please enquire.
- Specific Gravity 1.49 g/cm3.
- Operating Temp 120 C short term / 90 C long term.
- Tensile Strength at 20 Deg C = 73 Mpa.
- Hardness 74 Shore D (DIN53505).
- Bushing bore tolerance shown is after a H7 press fit.
Product Data
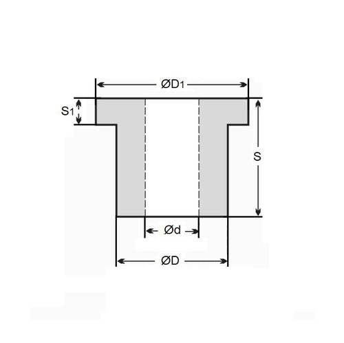
- Nominal Inside Diameter (d) 
:
70.000
mm
+ 0.060 / + 0.180
 (Equiv. 2.756 in.)
- Nominal Outside Diameter (D) 
75.000
mm
 (Equiv. 2.953 in.)
- Length (s) 
50.000
mm
+ 0.000 / - 0.390
 (Equiv. 1.969 in.)
- Flange OD (D1) 83.00 mm
- Flange Thickness (s1) 2.00 mm
- Material Iglidur J
Product Compliance and Data
Additional Resources
- DU Bush Material Information
- General Bushes Catalogue
- Sintered Bronze Products Catalogue
- Solid Bronze Bushes catalogue
Cross References
- Igus JFM-7075-50
- JFM707550
 
 


