
Miniature Bearings Australia
BF0318-0381-0381-PJ - Datasheet
Iglidur
Category Information
Bushes - Flanged - Plastic - Iglidur JIglidur J Plastic Flanged Bushes. Low Wear - Dry Running - Vibration Dampening - Chemical Resistance.
- An expanded range may be available on special order. Please enquire.
- Specific Gravity 1.49 g/cm3.
- Operating Temp 120 C short term / 90 C long term.
- Tensile Strength at 20 Deg C = 73 Mpa.
- Hardness 74 Shore D (DIN53505).
- Bushing bore tolerance shown is after a H7 press fit.
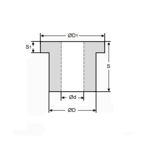
Product Data
- Nominal Inside Diameter (d)
:
31.750
mm
+ 0.050 / + 0.150
(Equiv. 1.25 in.) - Nominal Outside Diameter (D)
38.100
mm
(Equiv. 1.5 in.) - Length (s)
38.100
mm
+ 0.000 / - 0.390
(Equiv. 1.5 in.) - Flange OD (D1) 44.45 mm
- Flange Thickness (s1) 5.08 mm
- Material Iglidur J
Product Compliance and Data
Additional Resources
- DU Bush Material Information
- General Bushes Catalogue
- Sintered Bronze Products Catalogue
- Solid Bronze Bushes catalogue
Cross References
- Igus JFI-2024-24
- JFI202424


