
Miniature Bearings Australia
BF0250-0320-0250-PJ - Datasheet
Iglidur
Category Information
Bushes - Flanged - Plastic - Iglidur JIglidur J Plastic Flanged Bushes. Low Wear - Dry Running - Vibration Dampening - Chemical Resistance.
- An expanded range may be available on special order. Please enquire.
 - Specific Gravity 1.49 g/cm3.
 - Operating Temp 120 C short term / 90 C long term.
 - Tensile Strength at 20 Deg C = 73 Mpa.
 - Hardness 74 Shore D (DIN53505).
 - Bushing bore tolerance shown is after a H7 press fit.
 
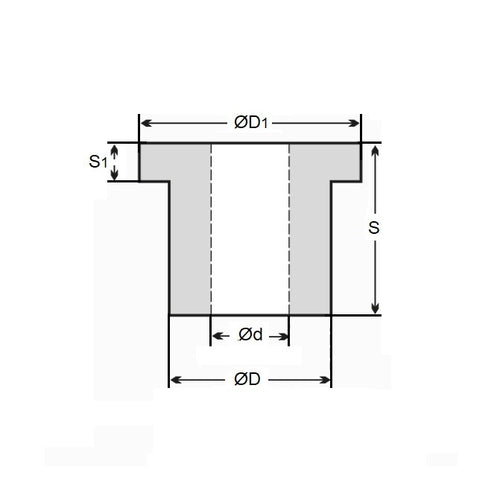
Product Data
- Nominal Inside Diameter (d) 
:
25.000
mm
+ 0.040 / + 0.124
(Equiv. 0.984 in.) - Nominal Outside Diameter (D) 
32.000
mm
(Equiv. 1.26 in.) - Length (s) 
25.000
mm
+ 0.000 / - 0.330
(Equiv. 0.984 in.) - Flange OD (D1) 38.00 mm
 - Flange Thickness (s1) 4 mm
 - Material Iglidur J
 
Product Compliance and Data
Additional Resources
- DU Bush Material Information
 - General Bushes Catalogue
 - Sintered Bronze Products Catalogue
 - Solid Bronze Bushes catalogue
 
Cross References
- Igus JFM-2532-25
 - JFM253225
 


