
Miniature Bearings Australia
BF0500-0550-0500-PH3 - Datasheet
Iglidur
Category Information
Bushes - Flanged - Plastic - Iglidur H370Iglidur H370 Plastic Flanged Bushes. Underwater. High Temp. Chemical Resistant. High mechanical loading and wear resistance.
- An expanded range may be available on special order. Please enquire.
- Specific Gravity 1.60 g/cm3.
- Operating Temp 240 C short term / 200 C long term.
- Tensile Strength at 20 Deg C = 135 Mpa.
- Hardness 82 Shore D (DIN53505).
- Bushing bore tolerance shown is after a H7 press fit.
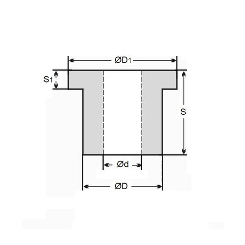
Product Data
- Nominal Inside Diameter (d) 
:
50.000
mm
+ 0.025 / + 0.125
 (Equiv. 1.969 in.)
- Nominal Outside Diameter (D) 
55.000
mm
 (Equiv. 2.165 in.)
- Length (s) 
50.000
mm
+ 0.000 / - 0.390
 (Equiv. 1.969 in.)
- Flange OD (D1) 63.00 mm
- Flange Thickness (s1) 2.00 mm
- Material Iglidur H370
Product Compliance and Data
Additional Resources
- DU Bush Material Information
- General Bushes Catalogue
- Sintered Bronze Products Catalogue
- Solid Bronze Bushes catalogue
Cross References
- Igus H370FM-5055-50
- H370FM505550
 
 


