
Miniature Bearings Australia
BF0080-0100-0100-PH - Datasheet
Iglidur
Category Information
Bushes - Flanged - Plastic - Iglidur HIglidur H Plastic Flanged Bushes. Underwater performance. High Temp. Chemical Resistance.
- An expanded range may be available on special order. Please enquire.
 - Specific Gravity 1.64 g/cm3.
 - Operating Temp 240 C short term / 200 C long term.
 - Tensile Strength at 20 Deg C = 175 Mpa.
 - Hardness 87 Shore D (DIN53505).
 - Bushing bore tolerance shown is after a H7 press fit.
 
Product Data
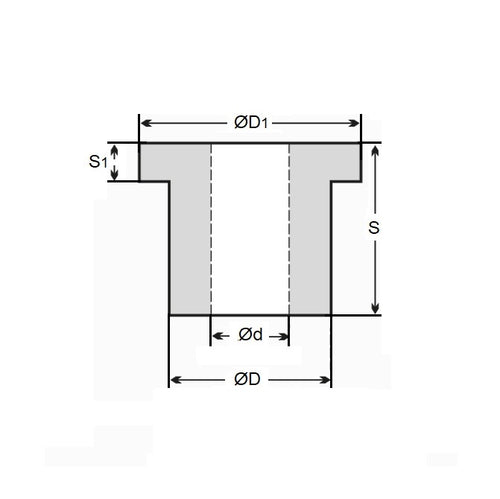
- Nominal Inside Diameter (d) 
:
8.000
mm
+ 0.013 / + 0.071
(Equiv. 0.315 in.) - Nominal Outside Diameter (D) 
10.000
mm
(Equiv. 0.394 in.) - Length (s) 
10.000
mm
+ 0.000 / - 0.220
(Equiv. 0.394 in.) - Flange OD (D1) 15.00 mm
 - Flange Thickness (s1) 1.00 mm
 - Material Iglidur H
 
Product Compliance and Data
Additional Resources
- DU Bush Material Information
 - General Bushes Catalogue
 - Sintered Bronze Products Catalogue
 - Solid Bronze Bushes catalogue
 
Cross References
- Igus HFM-0810-10
 - HFM081010
 


