
Miniature Bearings Australia
BP0445-0496-0635-PG - Datasheet
Iglidur
Category Information
Bushes - Unflanged - Plastic - Iglidur GIglidur G Plastic Unflanged Bushes. General purpose maintenance free dry running.
- An expanded range may be available on special order. Please enquire.
- Specific Gravity 1.45 g/cm3.
- Operating Temp 220 C short term / 130 C long term.
- Tensile Strength at 20 Deg C = 210 Mpa.
- Hardness 81 Shore D (DIN53505).
- Bushing bore tolerance shown is after a H7 press fit.
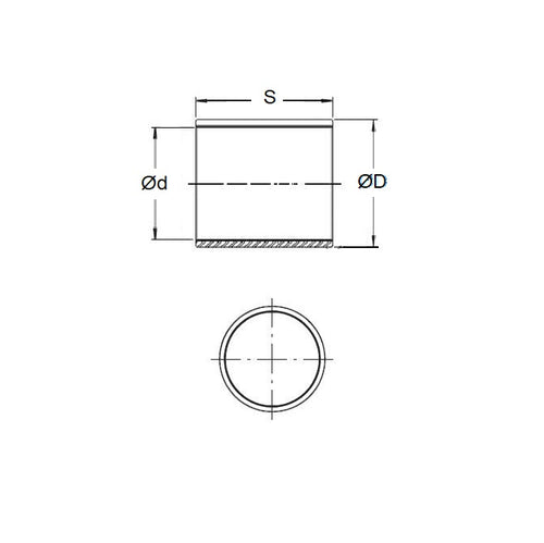
Product Data
- Nominal Inside Diameter (d)
:
44.450
mm
+ 0.050 / + 0.150
(Equiv. 1.75 in.) - Nominal Outside Diameter (D)
49.609
mm
(Equiv. 1.953 in.) - Length (s)
63.500
mm
+ 0.000 / - 0.460
(Equiv. 2.5 in.) - Material Iglidur G
Product Compliance and Data
Additional Resources
- DU Bush Material Information
- General Bushes Catalogue
- Sintered Bronze Products Catalogue
- Solid Bronze Bushes catalogue
Cross References
- Igus® GSI-2831-40
- GSI283140


