
Miniature Bearings Australia
BP0318-0357-0191-PG - Datasheet
Iglidur
Category Information
Bushes - Unflanged - Plastic - Iglidur GIglidur G Plastic Unflanged Bushes. General purpose maintenance free dry running.
- An expanded range may be available on special order. Please enquire.
- Specific Gravity 1.45 g/cm3.
- Operating Temp 220 C short term / 130 C long term.
- Tensile Strength at 20 Deg C = 210 Mpa.
- Hardness 81 Shore D (DIN53505).
- Bushing bore tolerance shown is after a H7 press fit.
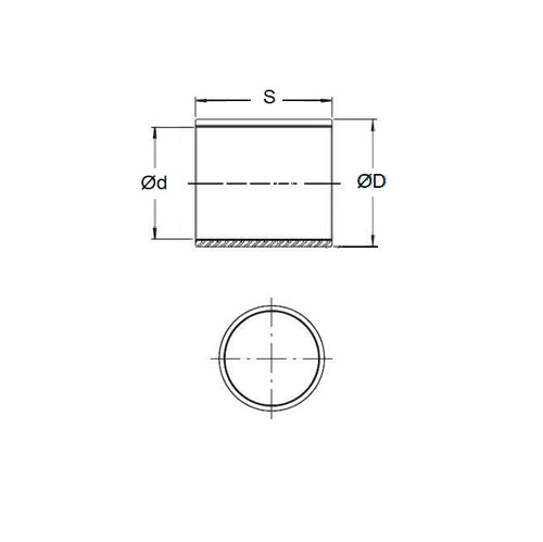
Product Data
- Nominal Inside Diameter (d)
:
31.750
mm
+ 0.050 / + 0.150
(Equiv. 1.25 in.) - Nominal Outside Diameter (D)
35.719
mm
(Equiv. 1.406 in.) - Length (s)
19.050
mm
+ 0.000 / - 0.330
(Equiv. 0.75 in.) - Material Iglidur G
Product Compliance and Data
Additional Resources
- DU Bush Material Information
- General Bushes Catalogue
- Sintered Bronze Products Catalogue
- Solid Bronze Bushes catalogue
Cross References
- Igus GSI-2022-12
- GSI202212


