
Miniature Bearings Australia
BP0222-0254-0095-PG - Datasheet
Iglidur
Category Information
Bushes - Unflanged - Plastic - Iglidur GIglidur G Plastic Unflanged Bushes. General purpose maintenance free dry running.
- An expanded range may be available on special order. Please enquire.
- Specific Gravity 1.45 g/cm3.
- Operating Temp 220 C short term / 130 C long term.
- Tensile Strength at 20 Deg C = 210 Mpa.
- Hardness 81 Shore D (DIN53505).
- Bushing bore tolerance shown is after a H7 press fit.
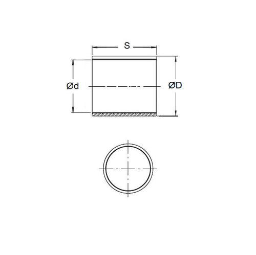
Product Data
- Nominal Inside Diameter (d)
:
22.225
mm
+ 0.040 / + 0.124
(Equiv. 0.875 in.) - Nominal Outside Diameter (D)
25.400
mm
(Equiv. 1 in.) - Length (s)
9.525
mm
+ 0.000 / - 0.220
(Equiv. 0.375 in.) - Material Iglidur G
Product Compliance and Data
Additional Resources
- DU Bush Material Information
- General Bushes Catalogue
- Sintered Bronze Products Catalogue
- Solid Bronze Bushes catalogue
Cross References
- Igus GSI-1416-06
- GSI141606


