
Miniature Bearings Australia
BF0080-0100-0250-PG - Datasheet
Iglidur
Category Information
Bushes - Flanged - Plastic - Iglidur GIglidur G Plastic Flanged Bushes. General purpose maintenance free dry running.
- An expanded range may be available on special order. Please enquire.
 - Specific Gravity 1.45 g/cm3.
 - Operating Temp 220 C short term / 130 C long term.
 - Tensile Strength at 20 Deg C = 210 Mpa.
 - Hardness 81 Shore D (DIN53505).
 - Bushing bore tolerance shown is after a H7 press fit.
 
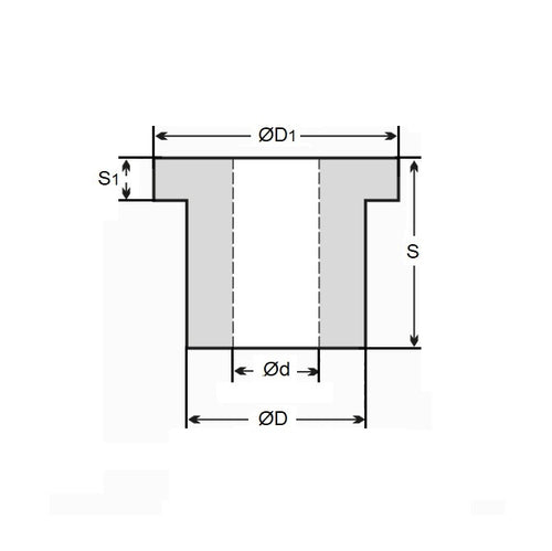
Product Data
- Nominal Inside Diameter (d) 
:
8.000
mm
+ 0.025 / + 0.083
(Equiv. 0.315 in.) - Nominal Outside Diameter (D) 
10.000
mm
(Equiv. 0.394 in.) - Length (s) 
25.000
mm
+ 0.000 / - 0.330
(Equiv. 0.984 in.) - Flange OD (D1) 15.00 mm
 - Flange Thickness (s1) 1.00 mm
 - Material Iglidur G
 
Product Compliance and Data
Additional Resources
- DU Bush Material Information
 - General Bushes Catalogue
 - Sintered Bronze Products Catalogue
 - Solid Bronze Bushes catalogue
 
Cross References
- Igus GFM-0810-25
 - GFM081025
 


