
Miniature Bearings Australia
BF0600-0650-0500-PG - Datasheet
Iglidur
Category Information
Bushes - Flanged - Plastic - Iglidur GIglidur G Plastic Flanged Bushes. General purpose maintenance free dry running.
- An expanded range may be available on special order. Please enquire.
- Specific Gravity 1.45 g/cm3.
- Operating Temp 220 C short term / 130 C long term.
- Tensile Strength at 20 Deg C = 210 Mpa.
- Hardness 81 Shore D (DIN53505).
- Bushing bore tolerance shown is after a H7 press fit.
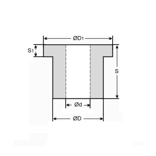
Product Data
- Nominal Inside Diameter (d) 
:
60.000
mm
+ 0.060 / + 0.180
 (Equiv. 2.362 in.)
- Nominal Outside Diameter (D) 
65.000
mm
 (Equiv. 2.559 in.)
- Length (s) 
50.000
mm
+ 0.000 / - 0.390
 (Equiv. 1.969 in.)
- Flange OD (D1) 73.00 mm
- Flange Thickness (s1) 2.00 mm
- Material Iglidur G
Product Compliance and Data
Additional Resources
- DU Bush Material Information
- General Bushes Catalogue
- Sintered Bronze Products Catalogue
- Solid Bronze Bushes catalogue
Cross References
- Igus GFM-6065-50
- GFM606550
 
 


