
Miniature Bearings Australia
BF0572-0619-0508-PG - Datasheet
Iglidur
Category Information
Bushes - Flanged - Plastic - Iglidur GIglidur G Plastic Flanged Bushes. General purpose maintenance free dry running.
- An expanded range may be available on special order. Please enquire.
- Specific Gravity 1.45 g/cm3.
- Operating Temp 220 C short term / 130 C long term.
- Tensile Strength at 20 Deg C = 210 Mpa.
- Hardness 81 Shore D (DIN53505).
- Bushing bore tolerance shown is after a H7 press fit.
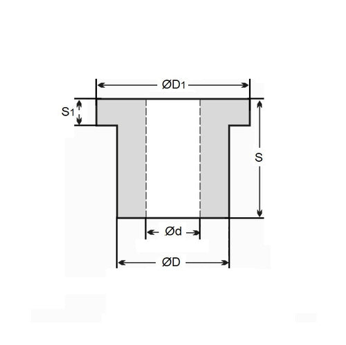
Product Data
- Nominal Inside Diameter (d)
:
57.150
mm
+ 0.060 / + 0.180
(Equiv. 2.25 in.) - Nominal Outside Diameter (D)
61.913
mm
(Equiv. 2.438 in.) - Length (s)
50.800
mm
+ 0.000 / - 0.460
(Equiv. 2 in.) - Flange OD (D1) 69.85 mm
- Flange Thickness (s1) 2.36 mm
- Material Iglidur G
Product Compliance and Data
Additional Resources
- DU Bush Material Information
- General Bushes Catalogue
- Sintered Bronze Products Catalogue
- Solid Bronze Bushes catalogue
Cross References
- Igus GFI-3639-32
- GFI363932


