
Miniature Bearings Australia
BF0222-0254-0318-PG - Datasheet
Iglidur
Category Information
Bushes - Flanged - Plastic - Iglidur GIglidur G Plastic Flanged Bushes. General purpose maintenance free dry running.
- An expanded range may be available on special order. Please enquire.
 - Specific Gravity 1.45 g/cm3.
 - Operating Temp 220 C short term / 130 C long term.
 - Tensile Strength at 20 Deg C = 210 Mpa.
 - Hardness 81 Shore D (DIN53505).
 - Bushing bore tolerance shown is after a H7 press fit.
 
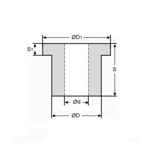
Product Data
- Nominal Inside Diameter (d) 
:
22.225
mm
+ 0.040 / + 0.124
(Equiv. 0.875 in.) - Nominal Outside Diameter (D) 
25.400
mm
(Equiv. 1 in.) - Length (s) 
31.750
mm
+ 0.000 / - 0.390
(Equiv. 1.25 in.) - Flange OD (D1) 31.75 mm
 - Flange Thickness (s1) 1.58 mm
 - Material Iglidur G
 
Product Compliance and Data
Additional Resources
- DU Bush Material Information
 - General Bushes Catalogue
 - Sintered Bronze Products Catalogue
 - Solid Bronze Bushes catalogue
 
Cross References
- Igus GFI-1416-20
 - GFI141620
 


