
Miniature Bearings Australia
BP0200-0250-0200-PA20 - Datasheet
Iglidur
Category Information
Bushes - Unflanged - Plastic - Iglidur A200Iglidur A200 Plastic Unflanged Bushes. Food grade for low speeds and direct contact with food and pharmaceuticals.
- An expanded range may be available on special order. Please enquire.
- Specific Gravity 1.14 g/cm3.
- Operating Temp 170 C short term / 80 C long term.
- Tensile Strength at 20 Deg C = 116 Mpa.
- Hardness 81 Shore D (DIN53505).
- Bushing bore tolerance shown is after a H7 press fit.
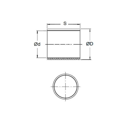
Product Data
- Nominal Inside Diameter (d)
:
20.000
mm
+ 0.065 / + 0.195
(Equiv. 0.787 in.) - Nominal Outside Diameter (D)
25.000
mm
(Equiv. 0.984 in.) - Length (s)
20.000
mm
+ 0.000 / - 0.330
(Equiv. 0.787 in.) - Material Iglidur A200
Product Compliance and Data
Additional Resources
- DU Bush Material Information
- General Bushes Catalogue
- Sintered Bronze Products Catalogue
- Solid Bronze Bushes catalogue
Cross References
- Igus ASM-2025-20
- ASM202520


