
Miniature Bearings Australia
BP0127-0159-0127-PA20 - Datasheet
Iglidur
Category Information
Bushes - Unflanged - Plastic - Iglidur A200Iglidur A200 Plastic Unflanged Bushes. Food grade for low speeds and direct contact with food and pharmaceuticals.
- An expanded range may be available on special order. Please enquire.
- Specific Gravity 1.14 g/cm3.
- Operating Temp 170 C short term / 80 C long term.
- Tensile Strength at 20 Deg C = 116 Mpa.
- Hardness 81 Shore D (DIN53505).
- Bushing bore tolerance shown is after a H7 press fit.
Product Data
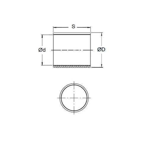
- Nominal Inside Diameter (d) 
:
12.700
mm
+ 0.050 / + 0.160
 (Equiv. 0.5 in.)
- Nominal Outside Diameter (D) 
15.875
mm
 (Equiv. 0.625 in.)
- Length (s) 
12.700
mm
+ 0.000 / - 0.270
 (Equiv. 0.5 in.)
- Material Iglidur A200
Product Compliance and Data
Additional Resources
- DU Bush Material Information
- General Bushes Catalogue
- Sintered Bronze Products Catalogue
- Solid Bronze Bushes catalogue
Cross References
- Igus ASI-0810-08
- ASI081008
 
 


