
Miniature Bearings Australia
BF0200-0216-0200-PCB - Datasheet
Iglidur
Category Information
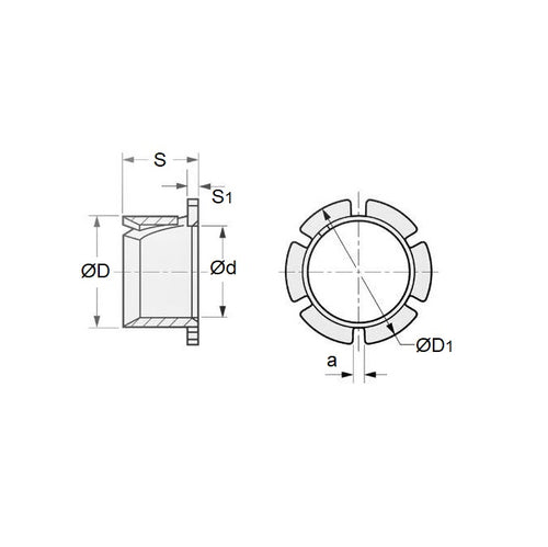
Bushes - Clip - Bevelled EdgeBevelled Edge Clip Bushes. Used as a light duty split bearing.
- Low clearance. Maintenance free. Economical. High Precision. High wear resistance.
- Light weight.
- M250 Polymer minus 40 Deg C to 80 Deg C (minus 40 Deg F to 176 Deg F)
Product Data
- Nominal Inside Diameter (d)
:
20.000
mm
+0.025 / +0.075
(Equiv. 0.787 in.) - Nominal Outside Diameter (D)
21.600
mm
(Equiv. 0.85 in.) - Overall Length
20.000
mm
+0.000 / -0.400
(Equiv. 0.787 in.) - Flange Dia (D1) 30.000 mm -0.400 / +0.400
- Flange Width (S1) 0.8 mm +0.000 / -0.130
- Min Housing Bore 21.270 mm
- Max Housing Bore 21.600 mm
- Min Shaft Size 19.975 mm
- Max Shaft Size 20.000 mm
- Sheet Metal Thickness 1.000
- Material Plastic
Product Compliance and Data
Additional Resources
- DU Bush Material Information
- General Bushes Catalogue
- Sintered Bronze Products Catalogue
- Solid Bronze Bushes catalogue
Cross References
- S99GMYM202220


