
Miniature Bearings Australia
GE-09525-14923-ST-OH-W - Datasheet
MBA
Category Information
Bushings - Spherical - Steel - With Oil Hole and Wiper SealWith Oil Hole and Wiper Seal Steel Spherical Bushings. Steel spherical plain bearings. Also known as ball bushings.
- Compensates for axial loads and misalignment.
Product Data
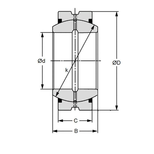
- Bore (d1)
:
95.250
mm
(Equiv. 3.75 in.) - OD (d2)
149.230
mm
(Equiv. 5.875 in.) - Width (B)
83.340
mm
(Equiv. 3.281 in.) - Outer Width (C) 71.42 mm
- Dynamic Load Capacity 97900 kgf
- Static Load Capacity 587000 kgf
- Features With Wiper Seals / With Oil Hole
- Material Steel
Product Compliance and Data
Additional Resources
Cross References
- Nachi SBB-60-2RS
- IKO SBB60-2RS
- Nachi SBB-60-RS
- IKO SBB60-RS
- SBB60RS
- SBB602RS



