
Miniature Bearings Australia
CCF955RS - Datasheet
MBA
Product Data
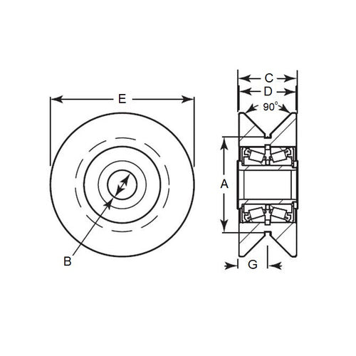
- Diameter (E)
:
95.25
mm
(Equiv. 3.75 in.) - Overall Width (C)
39.68
mm
(Equiv. 1.562 in.) - Bore (B)
19.050
mm
(Equiv. 0.75 in.) - Groove Diameter (A) 63.500 mm
- Width (D) 38.100 mm
- Centre of Groove (G) 15.875 mm
- Dyanmic Radial Load 3460.000 kg
- Dynamic Thrust Load 2070.000 kg
- Material Steel
Product Compliance and Data
Additional Resources
Cross References
- CCF955
- CCF-955


