
Miniature Bearings Australia
GE-09000-15000-ST-OH-W - Datasheet
MBA
Category Information
Bushings - Spherical - Steel - With Oil Hole and Wiper SealWith Oil Hole and Wiper Seal Steel Spherical Bushings. Steel spherical plain bearings. Also known as ball bushings.
- Compensates for axial loads and misalignment.
Product Data
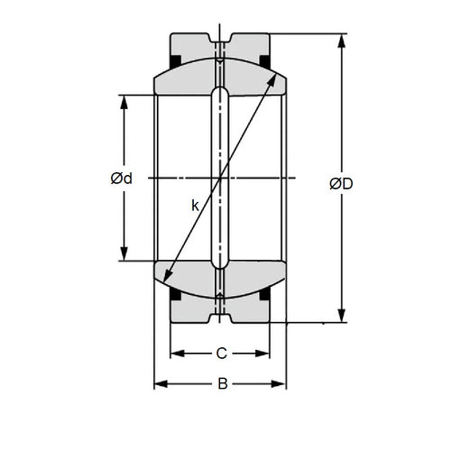
- Bore (d1)
:
90.000
mm
(Equiv. 3.543 in.) - OD (d2)
150.000
mm
(Equiv. 5.906 in.) - Width (B)
85.000
mm
(Equiv. 3.346 in.) - Outer Width (C) 55.00 mm
- Dynamic Load Capacity 71500 kgf
- Static Load Capacity 429000 kgf
- Features With Wiper Seals / With Oil Hole
- Material Steel
Product Compliance and Data
Additional Resources
Cross References
- Nachi GE-90GS-2RS
- IKO GE90GS-2RS
- Nachi GE-90GS-RS
- IKO GE90GS-RS
- GE90GS2RS
- GE90GSRS



