
Miniature Bearings Australia
RR-356-S02 - Datasheet
MBA
Category Information
Retaining Rings - Internal - Spiral Rings - Medium Duty - Stainless SteelStainless Steel Medium Duty Spiral Rings Internal Retaining Rings. Includes AI / WH / AS3217 / RR / MIL-R-27426B1 - Stainless Steel.
- An expanded range may be available on special order. Please enquire.
- Popular series that will accommodate light and medium bearing series thrust loads.
- Available in military and aerospace specifications.
- Equivalent to Associated Spring: AI, Smalley: WH, Spirolox and Ramsey: RR, Aerospace AS3217, MIL-R-27426B1
Product Data
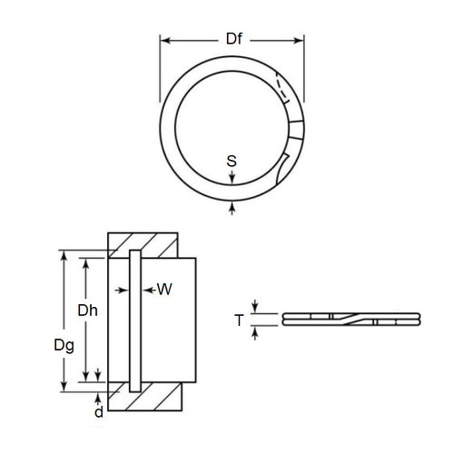
- Housing Bore (B)
:
90.47
mm
(Equiv. 3.562 in.) - Clip Thickness (T)
1.55
mm
+/- 0.08
(Equiv. 0.061 in.) - Groove Dia. (Dg)
93.27
mm
(Equiv. 3.672 in.) - Approx. Loose Circlip OD (Dr) 94.45 mm + 0.76 / - 0.00
- Radial Wall (S) Approx. 5.03 mm +/- 0.13
- Groove Width (W) 1.79 mm +/- 0.15
- Approx. Loose Clip ID 84.39 +/- 0.06
- Groove Depth (d) 1.42
- Material Stainless Steel 302/304 (Similar to A2, 18-8)
Product Compliance and Data
Additional Resources
Cross References
- Associated Spring AI-356-S02
- Smalley WH-356-S02
- Spirolox WH-356-S02
- WH356S02
- AI356S02


