
Miniature Bearings Australia
HM218248 - Datasheet
MBA
Category Information
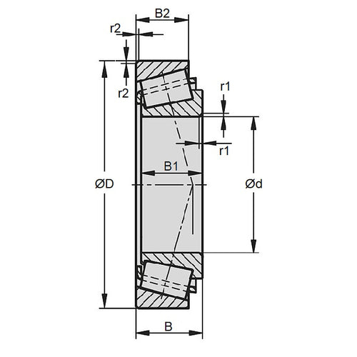
Bearings - Tapered Roller ConeTapered Roller Cone Bearings. Replacements for existing tapered roller cones (inner part). Match with part number on your existing bearing. It is recommended that you change both cup and cone whenever possible.
- Tapered roller bearings provide for high thrust and axial loads, and are commonly used in automotive applications such as wheels, differentials and gearboxes.
- Match the cone with the appropriate cup as listed in the tables. Sometimes there will be a range of cups to suit. Be sure to check the dimesions thoroughly.
- The cup is the outer part of the bearing, and has no rollers. An expanded range may be available on special order. Please enquire.
Product Data
- Inside Diameter
:
90.000
mm
(Equiv. 3.543 in.) - Cone Width
40.000
mm
(Equiv. 1.575 in.) - Matching Cups HM218210
- rs1 min 7.000 mm
- rs2 min 3.500 mm
- Basic Dynamic Load Rating 220000 Cr (N)
- Basic Static Load Rating 325000 Cor (N)
- Limiting Speed with Grease 2300 RPM
- Material Chrome Steel
Product Compliance and Data
Additional Resources
- Catalogue: Ceramic Bearings Catalogue
- Catalogue: Plastic Bearings Catalogue
- Catalogue: Standard Bearings Catalogue
- General: Bearing Cleanliness
- General: Bearing Clearances
- General: Bearing Flanges & Snap Rings
- General: Bearing Retainers (Cages)
- General: General Loads Information
- General: Lubrication
- General: Prefix & Suffix Guide
- General: Static vs Dynamic Loads
- Materials: 316 Stainless
- Materials: CASSTOP Anti-Corrosion Bearing Material
- Materials: Ceramic vs Ceramic Hybrid
- Materials: Ceramic Bearings in Vibratory Applications
- Materials: Ceramic Hybrid Bearings in Vibratory Applications
- Materials: General Bearing Materials
- Materials: Magnetism & Bearings
- Precision: 316 Stainless & Plastic Bearing Tolerances
- Precision: ABEC Basic Information
- Precision: Precision Bearing Tolerances
- Problem Solving: Bearing Failure
- Problem Solving: Fatigue (L10 Life)
- Problem Solving: Noise


