
Miniature Bearings Australia
SLQ-0953-1509-06350-T - Datasheet
MBA
Category Information
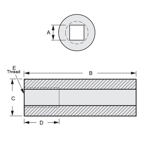
Sleeves - Square Hole - Threaded - Carbon SteelCarbon Steel Threaded Square Hole Sleeves. Square and concentric to 0.076mm (0.003in). Threaded.
- Precisely machined, round outer surface and a uniform, precisely square-shaped hole completely through its center.
Product Data
- Nominal Square Size
:
9.652
mm
+/- 0.0254
(Equiv. 0.38 in.) - Outside Diameter (C)
15.081
mm
(Equiv. 0.594 in.) - Length (B)
63.500
mm
(Equiv. 2.5 in.) - Actual Square Size (A) 9.525 mm
- Thread Depth (D) 15.875 mm
- Thread Size 1/2-20 UNF (12.700mm)
- Material Carbon Steel 11L17
Product Compliance and Data
Additional Resources
Cross References
- SHS37
- SHS-37
- A7C19-T037
- A7C19T037


