
Miniature Bearings Australia
CLP-095-1496-CZ - Datasheet
MBA
Category Information
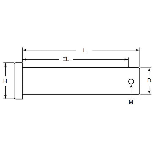
Pins - Clevis - Pin Locking - Zinc PlatedZinc Plated Pin Locking Clevis Pins. Match with a suitable R-Clip or Spilt Pin - pin size shown in listings
- In addition to retaining parts on a shaft or axle, clevis pins can also be used as light duty axles, spring holders or even fishing line weights.
- Sinc plated low carbon steel
Product Data
- Nominal Pin Diameter (D)
:
9.53
mm
- 0.05 / - 0.18
(Equiv. 0.375 in.) - Grip Length (EL)
149.60
mm
+ 0.51 / - 0.00
(Equiv. 5.89 in.) - Nom. Length (L)
155.58
mm
+ 0.51 / - 0.00
(Equiv. 6.125 in.) - Ret. Pin Dia. (M) 2.4 mm
- Material Zinc Plated Low Carbon Steel
Product Compliance and Data
Additional Resources
Cross References
- NoCor CLP-0375-6125
- NoCor CLPZ-0375-6125
- NoCor CLPZ-0375-6125/B
- NoCor CLPZ-0375-6125-B
- CLP0951496Z
- CLP03756125
- CLPZ03756125B
- CLPZ03756125/B



