
Miniature Bearings Australia
BP0095-0222-0071-BSLU - Datasheet
MBA
Category Information
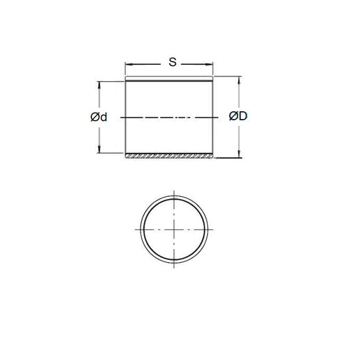
Bushes - Unflanged - Bronze - SinteredSintered Bronze Unflanged Bushes. Oil impregnated sintered bronze bushes.
- An expanded range may be available on special order. Please enquire.
- Precision items show an allowable Load Speed Rating in Newtons times RPM.
Product Data
- Nominal Inside Diameter (d)
:
9.525
mm
+ 0.000 / + 0.010
(Equiv. 0.375 in.) - Nominal Outside Diameter (D)
22.225
mm
+ 0.003 / - 0.010
(Equiv. 0.875 in.) - Length (s)
7.137
mm
+ 0 / - 0.127
(Equiv. 0.281 in.) - Material Bronze SAE 841 Sintered
Product Compliance and Data
Additional Resources
- DU Bush Material Information
- General Bushes Catalogue
- Sintered Bronze Products Catalogue
- Solid Bronze Bushes catalogue
Cross References
- S99BP4FB245618
- S99BP4-FB245618
- BP009502220071BS


