
Miniature Bearings Australia
BF0095-0143-0191-BS1932TT - Datasheet
MBA
Category Information
Bushes - Flanged - Bronze - SinteredSintered Bronze Flanged Bushes. Oil impregnated flanged sintered bronze bushes.
- An expanded range may be available on special order. Please enquire.
- Precision items show an allowable Load Speed Rating in Newtons times RPM.
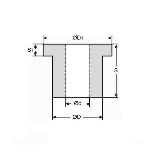
Product Data
- Nominal Inside Diameter (d)
:
9.525
mm
+ 0.025 / + 0.051
(Equiv. 0.375 in.) - Nominal Outside Diameter (D)
14.288
mm
+ 0.025 / + 0.051
(Equiv. 0.563 in.) - Length (s)
19.050
mm
+/- 0.191
(Equiv. 0.75 in.) - Flange OD (D1) 19.05 mm
- Flange Thickness (S1) 3.18 mm
- Material Bronze SAE 841 Sintered
Product Compliance and Data
Additional Resources
- DU Bush Material Information
- General Bushes Catalogue
- Sintered Bronze Products Catalogue
- Solid Bronze Bushes catalogue
Cross References
- 6338K571
- Boston FB-69-6
- Oilite FB69-6
- BF009501430191BS
- A7B4SF121806
- A7B4-SF121806
- FB696


