
Miniature Bearings Australia
BF0095-0127-0159-BS1724TT - Datasheet
MBA
Category Information
Bushes - Flanged - Bronze - SinteredSintered Bronze Flanged Bushes. Oil impregnated flanged sintered bronze bushes.
- An expanded range may be available on special order. Please enquire.
- Precision items show an allowable Load Speed Rating in Newtons times RPM.
Product Data
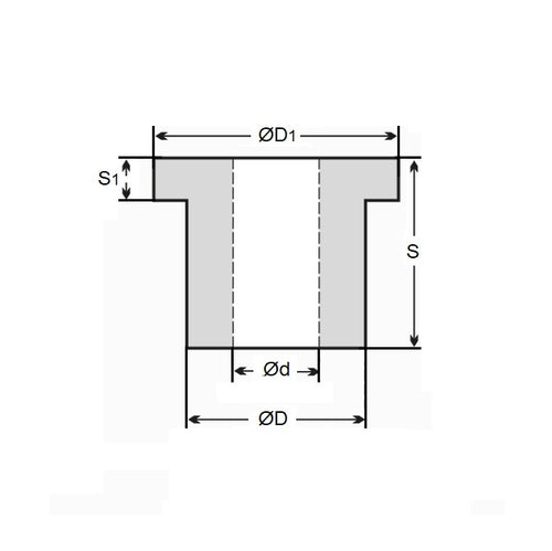
- Nominal Inside Diameter (d) 
:
9.525
mm
+ 0.025 / + 0.051
 (Equiv. 0.375 in.)
- Nominal Outside Diameter (D) 
12.700
mm
+ 0.025 / + 0.051
 (Equiv. 0.5 in.)
- Length (s) 
15.875
mm
+/- 0.191
 (Equiv. 0.625 in.)
- Flange OD (D1) 17.46 mm
- Flange Thickness (S1) 2.38 mm
- Material Bronze SAE 841 Sintered
Product Compliance and Data
Additional Resources
- DU Bush Material Information
- General Bushes Catalogue
- Sintered Bronze Products Catalogue
- Solid Bronze Bushes catalogue
Cross References
- Boston FB-68-5
- Oilite FB68-5
- BF009501270159BS
- BF009501270159BS1724
- FB685
- A7B4-SF121605
- A7B4SF121605
 
 
 


