
Miniature Bearings Australia
BF0095-0111-0095-PCB - Datasheet
MBA
Category Information
Bushes - Clip - Bevelled EdgeBevelled Edge Clip Bushes. Used as a light duty split bearing.
- Low clearance. Maintenance free. Economical. High Precision. High wear resistance.
- Light weight.
- M250 Polymer minus 40 Deg C to 80 Deg C (minus 40 Deg F to 176 Deg F)
Product Data
Deleted Item. Available while stocks last. Deleted Item. Available while stocks last.
Please contact us first if you wish to use this item in a new design so we can check whether production can be resumed.
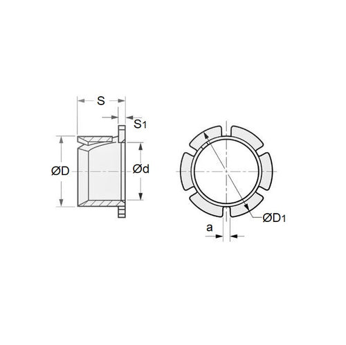
- Nominal Inside Diameter (d)
:
9.525
mm
(Equiv. 0.375 in.) - Nominal Outside Diameter (D)
11.100
mm
(Equiv. 0.437 in.) - Overall Length
9.525
mm
(Equiv. 0.375 in.) - Flange Dia (D1) 15.081 mm
- Flange Width (S1) 0.76 mm
- Min Housing Bore 10.831 mm
- Max Housing Bore 11.100 mm
- Min Shaft Size 9.500 mm
- Max Shaft Size 9.525 mm
- Sheet Metal Thickness 1.00
- Material Plastic
Product Compliance and Data
Additional Resources
- DU Bush Material Information
- General Bushes Catalogue
- Sintered Bronze Products Catalogue
- Solid Bronze Bushes catalogue
Cross References
- S99GMY-038044375
- S99GMY038044375


