
Miniature Bearings Australia
BF0095-0111-0051-PC2 - Datasheet
MBA
Category Information
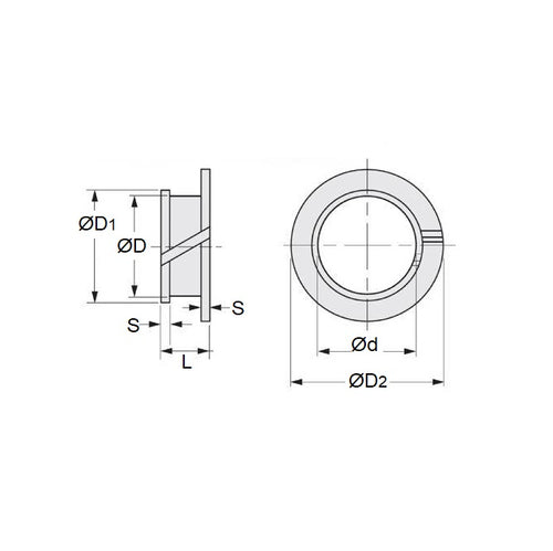
Bushes - Clip - Double FlangedDouble Flanged Clip Bushes. For use with sheet metal. Used as a light duty split bearing.
- Low clearance. Maintenance free. Economical. High Precision. High wear resistance.
- Light weight
- M250 Polymer minus 40 Deg C to 80 Deg C (minus 40 Deg F to 176 Deg F)
Product Data
- Nominal Inside Diameter (d)
:
9.525
mm
(Equiv. 0.375 in.) - Nominal Outside Diameter (D)
11.113
mm
(Equiv. 0.438 in.) - Overall Length
5.080
mm
(Equiv. 0.2 in.) - Large Flange Dia 14.288 mm
- Flange Width (S) 0.8 mm
- Small Flange Dia 11.906 mm
- Min Housing Bore 10.843 mm
- Max Housing Bore 11.113 mm
- Min Shaft Size 9.500 mm
- Max Shaft Size 9.525 mm
- Sheet Metal Thickness 1.83 to 3.43
- Material Plastic
Product Compliance and Data
Additional Resources
- DU Bush Material Information
- General Bushes Catalogue
- Sintered Bronze Products Catalogue
- Solid Bronze Bushes catalogue
Cross References
- 6126K45
- S99GMC-384720
- S99GMC384720



