
Miniature Bearings Australia
PB1-375-N - Datasheet
MBA
Category Information
Housings - Pillow Block Self Aligning - Needle RollerNeedle Roller Pillow Block Self Aligning Housings. Spyraflo robust light weight aluminium housing with self aligning needle roller bearings.
- This category will be discontinued when the remaining items are sold.
- All items are priced to quit.
- Backorders or orders for previously listed items in the category will only be available for very large orders.
- See links at bottom of web page for more information
- +/- 5% Static Alignment
- Sintered aluminium housing
- Corrosion Resistant
- Light weight
Product Data
Deleted Item. Available while stocks last.
Please contact us first if you wish to use this item in a new design so we can check whether production can be resumed.
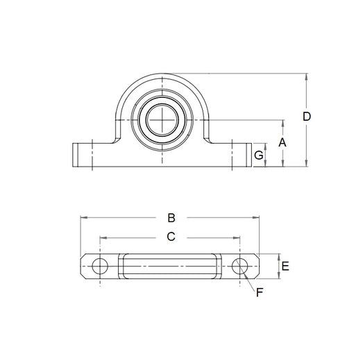
- Nominal Shaft Size
:
9.525
mm
(Equiv. 0.375 in.) - Max. Radial Dynamic Load 979 N
- Material Needle Roller
- Min to Max Shaft Dia. 9.516 to 9.525 mm
- Max Speed 29500 RPM
- A 14.22 mm
- B 57.15 mm
- C 44.45 mm
- D 28.58 mm
- Material Steel
Product Compliance and Data
Additional Resources


