
Miniature Bearings Australia
REF-095-R-CB - Datasheet
MBA
Category Information
Rod Ends - Female - Steel - Plain - Bronze LinedBronze Lined Plain Steel Female Rod Ends. Imperial and Metric / Carbon Steel. Also known as Heim Joints
- An expanded range may be available on special order. Please enquire.
- Dimensions not shown are available on request.
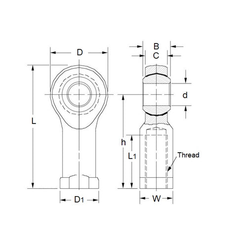
Product Data
- Eye Size (d1)
:
9.525
mm
(Equiv. 0.375 in.) - Overall Length (L)
53.98
mm
(Equiv. 2.125 in.) - Thread Size (T) 3/8-24 UNF Right
- Thread Length (l2) 23.80 mm
- Head Width (W) 10.31 mm
- Eye Width (W1) 12.70 mm
- Head Diameter (D) 25.40 mm
- Centre Height (l1) 41.28 mm
- Grease Nipple Yes
- Body Width/Flange Width(W2/D3) 14.27 / 17.45 mm
- Material Bronze Lined Steel
Product Compliance and Data
Additional Resources
Cross References
- 6072K174-RIGHT
- ASAHI JAFB6
- KWK KFB6
- IKO PHSB6
- Nachi PHSB-6
- NTN SFI-B6
- SFIB6
- 6072K174RIGHT


