
Miniature Bearings Australia
BF0080-0096-0036-PC2 - Datasheet
MBA
Category Information
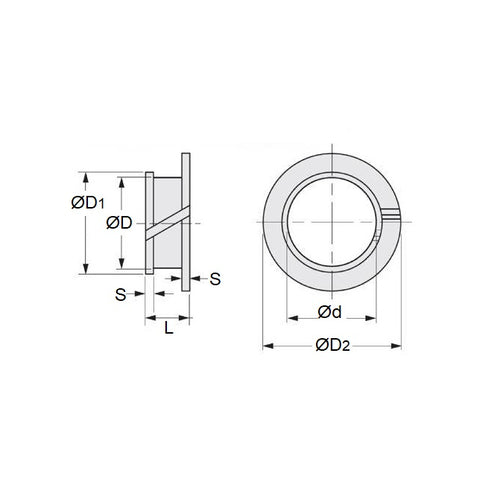
Bushes - Clip - Double FlangedDouble Flanged Clip Bushes. For use with sheet metal. Used as a light duty split bearing.
- Low clearance. Maintenance free. Economical. High Precision. High wear resistance.
- Light weight
- M250 Polymer minus 40 Deg C to 80 Deg C (minus 40 Deg F to 176 Deg F)
Product Data
- Nominal Inside Diameter (d)
:
8.000
mm
(Equiv. 0.315 in.) - Nominal Outside Diameter (D)
9.600
mm
(Equiv. 0.378 in.) - Overall Length
3.600
mm
(Equiv. 0.142 in.) - Large Flange Dia 13.000 mm
- Flange Width (S) 0.8 mm
- Small Flange Dia 10.400 mm
- Min Housing Bore 9.380 mm
- Max Housing Bore 9.600 mm
- Min Shaft Size 7.975 mm
- Max Shaft Size 8.000 mm
- Sheet Metal Thickness 1.45 to 1.92
- Material Plastic
Product Compliance and Data
Additional Resources
- DU Bush Material Information
- General Bushes Catalogue
- Sintered Bronze Products Catalogue
- Solid Bronze Bushes catalogue
Cross References
- 7817K59
- S99GMCM0810436
- S99GMCM810436



