
Miniature Bearings Australia
PLIT-080-160-150-68-KPU-C - Datasheet
MBA
Category Information
Plungers - Indexing Pull Knob - No Collar - Steel - StandardStandard Steel No Collar Indexing Pull Knob Plungers. With thermoplastic knob
Product Data
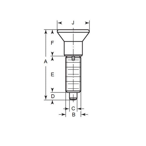
- Thread (B) : M16 Extra Fine (16x1.5mm)
- Overall Length (A)
68.0
mm
(Equiv. 2.677 in.) - Initial End Force 6.8 N
- Final End Force 15.9 N
- Tip Diameter (C) 8.0 mm
- Tip Length (D) 8.0 mm
- Hex Height (F) 24.0
- Knob Diameter (J) 33.0
- Material Steel
Product Compliance and Data
Additional Resources
Cross References
- KBP-629
- KBP629



